GE IS200TBAIH1CDD
  • GE IS200TBAIH1CDD GE IS200TBAIH1CDD
  • GE IS200TBAIH1CDD GE IS200TBAIH1CDD
  • GE IS200TBAIH1CDD GE IS200TBAIH1CDD

GE IS200TBAIH1CDD

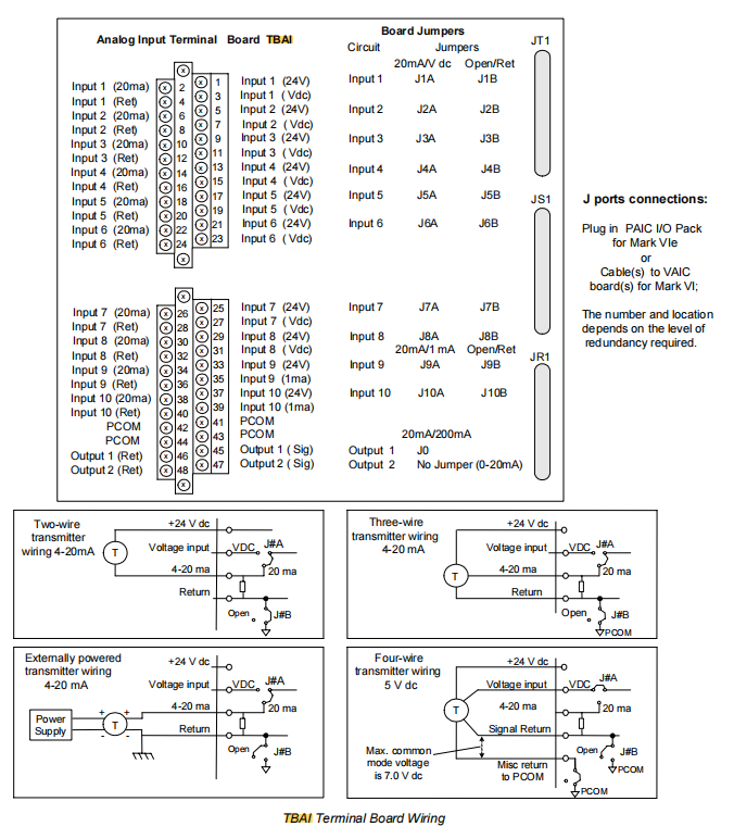
GE IS200TBAIH1CDD is an 16-channel analog input terminal board designed by General Electric for its advanced Mark VIe and Mark VIeS turbine and process control systems. This board is a key physical interface component in the Mark VIe I/O system architecture.

Send Inquiry

Product Description

Manufacture
GE
Model Number
IS200TBAIH1CDD
Series
Mark VIe
Country Of Origin
USA
HS CODE
8504902000
Dimension
20*5*5cm
Packing Dimension
20*5*5cm
Weight
0.7kg

Product Overview

GE IS200TBAIH1CDD is an 16-channel analog input terminal board designed by General Electric for its advanced Mark VIe and Mark VIeS turbine and process control systems. This board is a key physical interface component in the Mark VIe I/O system architecture. The core function is to establish a safe, reliable, and standardized electrical connection between the field instruments and the internal I/O processing modules of the control system. The IS200TBAIH1CDD does not perform signal processing or conversion. It is an unpowered, high-density wiring hub. Standard analog signals such as 4-20mA or ±10V DC from the field are connected to this terminal board via shielded cables, and then the signals are transmitted to the VAIC module installed in the I/O rack of the control cabinet through a dedicated, high-density ribbon cable. This "terminal board + ribbon cable + I/O card" separated design is a hallmark feature of the Mark VIe system, significantly simplifying on-site wiring, system maintenance, and fault troubleshooting.

Product Features and Advantages

Achieving a complete decoupling of the "physical layer" and the "electronic layer" - the cornerstone of system reliability

In industrial settings, wiring errors, cable short circuits, and induced voltage surges are common sources of faults. TBAI, as an passive terminal board, acts as the first "firewall". Any electrical fault occurring on the field side will be limited to the terminal board and its connected cables, and will not directly propagate to the expensive and precise VAIC I/O processor module. Even if the terminal board is damaged due to extreme conditions, the cost and time for replacement are much lower than replacing an I/O card that integrates complex signal conditioning circuits and ADC chips.

By physically separating the high-noise field wiring area from the low-noise control electronics area, the EMC design of the Mark VIe system is simplified. The VAIC module can be deployed in a cleaner and better shielded position within the control cabinet, while the TBAI board handles all the dirty field connections. This partitioning strategy significantly enhances the anti-interference capability of the entire I/O system.

The revolutionary out-of-cabinet maintenance mode is a multiplier of operational efficiency

GE IS200TBAIH1CDD is maintenance-friendly throughout its entire lifecycle, from project commissioning, daily inspections to fault handling and equipment major overhauls. Maintenance personnel hardly need to open the main control cabinet door. Instrument engineers can independently complete all tasks at the terminal board:

Signal injection uses a signal generator to inject a standard 4-20mA signal on the terminal to verify whether the entire signal chain from the terminal board to the HMI is normal.

Disconnect the instrument output line and directly connect the calibration instrument on the terminal to calibrate the field transmitter's zero point/range, without affecting the control system operation.

When an AI signal is abnormal, the engineer first measures the signal at the terminal board. If the signal is normal, the problem lies in the system side; if the signal is abnormal, the problem lies on the field side. This "binary positioning method" reduces the average fault repair time by more than 50%.

Support for hot-swapping operations In Mark VIe systems configured with redundant VAIC modules, if the TBAI terminal board itself needs to be replaced, it can be disconnected from the twisted cable and replaced while the system is running, achieving true "zero downtime" maintenance, following strict safety procedures.



Product evolution and technological development

The evolution of the GE I/O architecture clearly demonstrates the path from integration to separation and then to intelligence:

In the early days of DCS/PLC, the common approach was to directly connect I/O cards, which was difficult to maintain and carried high risks.

In the Mark VIe era, an innovative completely separated I/O architecture was introduced. The emergence of TBAI/TBAO terminal boards was the result of the extreme pursuit of maintainability and reliability in engineering practice. This design concept proved to be very successful and has been adopted by many other high-end DCS manufacturers.

Current and future Mark VIeS & Beyond:

The architecture continues the completely inherited mature and reliable separated architecture of the Mark VIeS system. The role of the TBAI terminal board has not changed.

Although intelligent terminals are currently passive, the industry trend is towards active intelligent terminals. Future terminal boards may integrate IO-Link master stations or HART multiplexers, which can not only transmit main signals but also read diagnostic and configuration information of instruments.

Wirelessization supplements are for non-critical or difficult-to-wire monitoring points. Wireless transmitters are becoming a powerful supplement to wired TBAI, but critical control loops will still be mainly wired.


Hot Tags:

Related Category

Send Inquiry

Please Feel free to give your inquiry in the form below. We will reply you in 24 hours.
X
We use cookies to offer you a better browsing experience, analyze site traffic and personalize content. By using this site, you agree to our use of cookies. Privacy Policy
Reject Accept