GE IS200TTURH1CED
  • GE IS200TTURH1CED GE IS200TTURH1CED
  • GE IS200TTURH1CED GE IS200TTURH1CED
  • GE IS200TTURH1CED GE IS200TTURH1CED

GE IS200TTURH1CED

Brand: GE
Description: output terminal board
Condition: Brand New
Certificate: COO TEST REPORT WARRANTY LETTER
Warranty: 1 year
Inventory Qty: 14
Payment Term: T/T
Shipping Port: Xiamen
GE IS200TTURH1CED is a highly reliable and safe turbine-specific master trip output terminal board designed by General Electric for its advanced Mark VIe and Mark VIeS turbine and process control systems. As a key safety component of the Mark VIe distributed I/O architecture, the core mission of this board is to execute the final, irreversible shutdown command from the controller.

Send Inquiry

Product Description

Manufacture
GE
Model Number
IS200TTURH1CED
Ordering Number
IS200TTURH1CED
Catalog
Mark VI
Country Of Origin
USA
HS CODE
8479909090
Dimension
233 × 160 mm
Weight
0.32 kg

Product Overview

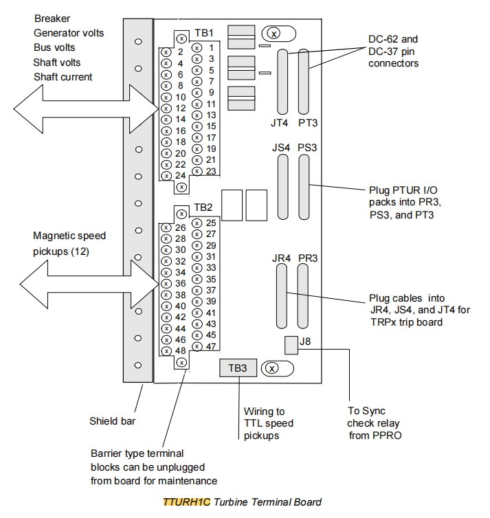
The GE IS200TTURH1CED is a highly reliable and safe turbine-specific master trip output terminal board designed by General Electric for its advanced Mark VIe and Mark VIeS turbine and process control systems. As a key safety component of the Mark VIe distributed I/O architecture, the core mission of this board is to execute the final, irreversible shutdown command from the controller. The IS200TTURH1CED receives electronic signals from the Process Turbine Specific Primary Trip I/O processor module and physically cuts off or connects the power circuits to key actuators such as fuel shut-off valves, hydraulic trip solenoid valves, and generator circuit breaker trip coils through its internally integrated large-capacity and highly reliable electromagnetic relays, thereby achieving safe, rapid, and reliable shutdown of core power equipment such as gas turbines and steam turbines. This board is not merely a relay board; it is the ultimate executor of the entire safety instrument system's functions in the physical world. Its design follows the Fail-Safe principle and is the last line of defense to ensure the safety of personnel, equipment, and the environment.

Product Function Features

Executing ultimate safety function - main trip

TTURH1CED is the final physical execution unit of the protection logic. When the Mark VIe controller detects any condition that endangers the safety of the equipment, it will send a trip command to the PTUR module. PTUR then drives the relays on the TTUR board to act, directly cutting off the fuel supply or triggering a mechanical trip, achieving emergency shutdown within milliseconds.

Triple redundant architecture support

The 3-channel design perfectly matches the Mark VIe TMR system. Three independent controller channels control one relay respectively. Only when at least two channels simultaneously issue a trip command, will the final trip circuit be activated. This design significantly improves the system's availability and safety.

Built-in advanced diagnostics, preventing catastrophic failures

Command/Feedback comparison diagnosis is its core intelligent function. GE IS200TTURH1CED not only tells you the controller wants it to trip, but also confirms it did trip. This closed-loop diagnosis is the cornerstone for ensuring the long-term reliability of the main trip circuit, which is a critical function with single action and serious consequences.

Fail-Safe design

The design of the entire trip circuit follows the fault safety principle. This means that in the event of power loss, cable breakage, or relay failure, the system will automatically tend towards a safe state. For example, the fuel cutoff valve is usually designed as Fail-Closed, and the relays on the TTUR board are energized and held in place when in normal operation to keep the valve open; once the TTUR board loses power or receives a trip command, the relays release, and the valve closes under the action of the spring.


Related product recommendations

Companion I/O processor module

The IS200PTURH1A turbine-specific main trip I/O processor module is the brain of TTURH1CED.

Previous generation corresponding product

Mark VI VTUR I/O Board + TRPXH1B Terminal Board, IS200TTURH1CED is the direct predecessor of IS200TTURH1CED in Mark VIe.

Controlled actuating mechanism

GE SV8/SV12 fuel cutoff valve

Hydraulic trip oil system (Trip Oil System) solenoid valve

Trip coil of generator outlet circuit breaker (GCB)

Hot Tags:

Related Category

Send Inquiry

Please Feel free to give your inquiry in the form below. We will reply you in 24 hours.
X
We use cookies to offer you a better browsing experience, analyze site traffic and personalize content. By using this site, you agree to our use of cookies. Privacy Policy
Reject Accept