TQ402 111-402-000-013 A1-B1-C042-D000-E050-F0-G000-H10
  • TQ402 111-402-000-013 A1-B1-C042-D000-E050-F0-G000-H10 TQ402 111-402-000-013 A1-B1-C042-D000-E050-F0-G000-H10
  • TQ402 111-402-000-013 A1-B1-C042-D000-E050-F0-G000-H10 TQ402 111-402-000-013 A1-B1-C042-D000-E050-F0-G000-H10

TQ402 111-402-000-013 A1-B1-C042-D000-E050-F0-G000-H10

Brand: Vibro-Meter
Description:Proximity Transducer
Condition: New
Warranty: 1 year
Inventory Qty: 1
Payment term: T/T
Shipping Port: Xiamen
TQ402 111-402-000-013 A1-B1-C042-D000-E050-F0-G000-H10 is an industrial vibration monitoring module produced by Vibro-Meter, mainly used for vibration protection and monitoring of rotating machinery.

Send Inquiry

Product Description

Manufacture
Vibro-Meter
Model Number
TQ402
Ordering Number
111-402-000-013 A1-B1-C042-D000-E050-F0-G000-H10
Catalog
Probes & Sensors
Country Of Origin
Switzerland
HS CODE
8537109090
Dimension
26.2cm*12.5cm*2cm
Packing Dimension
28.2cm*14.5cm*4cm
Weight
0.3kg

Product Overview

The TQ402 is a high-performance, non-contact eddy current displacement sensor in the Vibra-Meter product line of Meggit. 111-402-000-013 A1-B1-C042-D000-E050-F0-G000-H10 is a core measuring component of machine protection (MMS) and condition monitoring (CMS) systems, specifically designed for precisely measuring the radial vibration and axial displacement of rotating machinery shafts such as steam turbines, compressors, and pumps.

This specific order number defines a sensor configuration suitable for standard industrial environments, featuring a medium-length housing and a 5-meter integrated cable. This configuration does not come with an external protective hose, which means it is most suitable for installation in environments where the sensor cables can be fully protected (such as through conduits or cable trays), and it is an economical and efficient solution. When paired with the IQS900 signal conditioner, it forms a complete, calibrated measurement chain, renowned for its high reliability and accuracy.

Product specifications and parameters

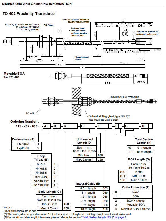
Detailed configuration analysis of the order number

A1                   Environmental Standards - Applicable to non-hazardous areas, namely general industrial environments

B1                   Shell thread - M10 x 1 metric thread, which is the most universal and common installation size worldwide, facilitating procurement and installation.

C042               Shell length - 42mm. This shorter shell length is highly suitable for use in situations with limited installation space, such as when the installation boss is relatively shallow.

D000               Threaded length -0mm, indicating that the thread runs through the entire sensor housing.

E050               Integrated cable length - 5.0 meters. This length enables the sensor to have sufficient wiring flexibility without the immediate use of extension cables, allowing it to be connected from the device junction box to a signal conditioner at a greater distance.

F0                  Optional protection - None. The cable is a standard FEP coated coaxial cable without flexible stainless steel metal hoses or additional sheaths.

G000               Flexible hose length -0 meters, confirming unprotected hose.

H05                Total system length - 5 meters. It indicates that the total length of this measurement chain is 5 meters, and only the integrated cable that comes with the sensor is used.

Key performance and physical parameters

Measurement principle                 Eddy current effect

Linear measurement range           2 mm or 4 mm (depending on the IQS900 conditioning option that comes with it)

Sensitivity

Voltage output                             8 mV/μm (corresponding to a 2mm range) or 4 mV/μm (corresponding to a 4mm range)

Frequency response                     DC to 20 kHz (-3 dB)

Operating temperature

Sensor probe                              -40°C to +180°C

Cables and connectors                 -40°C to +120°C

Linearity                                    Please refer to the performance curves on pages 8-9 of the data sheet. The typical error within the linear range is extremely small.

Protection grade                         IP68 (sensor head and integrated cable section).

Connector                                  Self-locking micro coaxial connector.

Target material                           Magnetic conductive steel. The standard calibration material is the equivalent steel of VCL 140 / AISI 4140.

Product functional features

Advanced system integration and diagnostic functions (achieved through IQS900)

The components are completely interchangeable. The TQ402, EA402 cables and IQS900 signal conditioner are calibrated as an integrated system. When any component is damaged, the same model part can be directly replaced without recalibrating the entire system, which greatly simplifies the maintenance process and reduces inventory costs.

When the IQS900 is equipped with the diagnostic function (order option C2), the system can monitor the sensor coil, cable integrity, connection status, and the health of the conditioner itself in real time. Once a problem is detected (such as an open circuit or short circuit), an alarm will be immediately sent to the monitoring system by outputting a current or voltage signal beyond the normal range (such as >-15.5mA or <-20.5mA), achieving predictive maintenance.

The IQS900 with Safety Integrity level (SIL) diagnostics is designed in compliance with SIL 2 (IEC 61508) standards and can be directly used in safety-related systems as part of machine protection to help prevent catastrophic failures.

Outstanding electrical performance

The wide frequency response of DC to 20 kHz (-3 dB) enables TQ402 111-402-000-013 A1-B1-C042-D000-E050-F0-G000-H05 not only to measure slowly changing displacements (such as axial position), but also to accurately capture vibrations caused by misalignment, imbalance, gear meshing, etc. in high-speed rotating equipment, providing rich data for fault diagnosis.

High signal-to-noise ratio and anti-interference capability. The optimized circuit design and shielding technology, combined with the improved electromagnetic compatibility (EMC) of the IQS900, ensure the output of stable and low-noise signals even in complex industrial electromagnetic environments.

Flexible output and power supply support 2-wire current output (4-20mA loop, strong anti-interference, suitable for remote transmission) and 3-wire voltage output (good dynamic response, suitable for high-frequency vibration measurement), and can be directly compatible with mainstream monitoring systems such as VM600 and VibroSmart.


Hot Tags: TQ402, 111-402-000-013 A1-B1-C042-D000-E050-F0-G000-H10, Proximity Transducer

Related Category

Send Inquiry

Please Feel free to give your inquiry in the form below. We will reply you in 24 hours.
X
We use cookies to offer you a better browsing experience, analyze site traffic and personalize content. By using this site, you agree to our use of cookies. Privacy Policy
Reject Accept